System side Impedance Track™ fuel gauge with integrated LDO.
Texas Instruments
RSS
Sample
- Darmowa próbka
- MPN:
- BQ27520-G4
- Producent:
- TEXAS INSTRUMENTS
- Dodany do bazy:
- Ostatnio widziany:
Sugerowane produkty dla bq27520
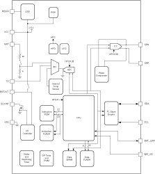
The Texas Instruments BQ27520-G4 system-side Li-ion battery fuel gauge is a microcontroller peripheral that provides fuel gauging for single-cell Li-ion battery packs. The device requires little system microcontroller firmware development. The fuel gauge resides on the main board of the system and manages an embedded battery (non-removable) or a removable battery pack.
The fuel gauge uses the patented Impedance Track™ algorithm for fuel gauging, and provides information such as remaining battery capacity (mAh), state-of-charge (%), run-time to empty (minimum), battery voltage (mV), temperature (°C), and state of health (%).
Battery fuel gauging requires only PACK+ (P+), PACK– (P–), and optional Thermistor (T) connections to a removable battery pack or embedded battery circuit. The device uses a 15-ball NanoFree™ (DSBGA) package in the nominal dimensions of 2610 × 1956 µm with 0.5-mm lead pitch. It is ideal for space-constrained applications.
Elecena nie prowadzi sprzedaży elementów elektronicznych, ani w niej nie pośredniczy.
Produkt pochodzi z oferty sklepu Texas Instruments