elecena.pl

Enhanced Product 3-phase sensored trapezoidal control BLDC gate driver

Texas Instruments

Enhanced Product 3-phase sensored trapezoidal control BLDC gate driver RSS Sample
  • Darmowa próbka
MPN:
UC2625-EP
Producent:
TEXAS INSTRUMENTS
Dodany do bazy:
Ostatnio widziany:

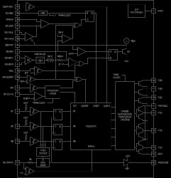
The UC2625 motor controller integrates most of the functions required for high-performance brushless dc motor control into one package. When coupled with external power MOSFETs or Darlingtons, this device performs fixed-frequency PWM motor control in either voltage or current mode while implementing closed loop speed control and braking with smart noise rejection, safe direction reversal, and cross-conduction protection.

Although specified for operation from power supplies between 10 V and 18 V, the UC2625 can control higher voltage power devices with external level-shifting components. The UC2625 contains fast, high-current push-pull drivers for low-side power devices and 50-V open-collector outputs for high-side power devices or level shifting circuitry.

The UC2625 is characterized for operation over the military temperature range of -55°C to 125°C.

Elecena nie prowadzi sprzedaży elementów elektronicznych, ani w niej nie pośredniczy.

Produkt pochodzi z oferty sklepu