4.5 V to 60 V Wide-Input Synchronous PWM Buck Controller
Texas Instruments
RSS
Sample
- Darmowa próbka
- MPN:
- TPS40170
- Producent:
- TEXAS INSTRUMENTS
- Dodany do bazy:
- Ostatnio widziany:
Sugerowane produkty dla lm5146
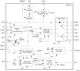
TPS40170 is a full-featured, synchronous PWM buck controller that operates at an input voltage between 4.5 V and 60 V and is optimized for high-power density, high-reliability DC-DC converter applications. The controller implements voltage-mode control with input voltage feed-forward compensation that enables instant response to input voltage change. The switching frequency is programmable from 100 kHz to 600 kHz.
The TPS40170 has a complete set of system protection and monitoring features such as programmable undervoltage lockout (UVLO), programmable overcurrent protection (OCP) by sensing the low-side FET, selectable short-circuit protection (SCP) by sensing the high-side FET and thermal shutdown. The ENABLE pin allows for system shutdown in a low-current (1 µA typical) mode. The controller supports pre-biased output, provides an open-drain PGOOD signal, and has closed-loop soft-start, output voltage tracking and adaptive dead-time control.
TPS40170 provides accurate output voltage regulation through 1% ensured accuracy. Additionally, the controller implements a novel scheme of bi-directional synchronization with one controller acting as the primary and other downstream controllers acting as secondaries synchronized to the primary in-phase or 180° out-of-phase. Secondary controllers can be synchronized to an external clock within ±30% of the free-running switching frequency.
New products (LM5145 and LM5146) offer reduced BOM cost, higher efficiency, and reduced design size among many other features.
Elecena nie prowadzi sprzedaży elementów elektronicznych, ani w niej nie pośredniczy.
Produkt pochodzi z oferty sklepu Texas Instruments