elecena.pl

5.5-V to 24-V, dual-synchronous buck controller with 5-V and 3.3-V LDOs

Texas Instruments

5.5-V to 24-V, dual-synchronous buck controller with 5-V and 3.3-V LDOs RSS Sample
  • Darmowa próbka
MPN:
TPS51275
Producent:
TEXAS INSTRUMENTS
Dodany do bazy:
Ostatnio widziany:

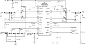
The TPS51275, TPS51275B and TPS51275C are cost-effective, dual-synchronous buck controllers targeted for notebook system-power supply solutions. It provides 5-V and 3.3-V LDOs and requires few external components. The 260-kHz VCLK output can be used to drive an external charge pump, generating gate drive voltage for the load switches without reducing the main converter efficiency. The TPS51275, TPS51275B and TPS51275C supports high efficiency, fast transient response and provides a combined power-good signal. Adaptive on-time, D-CAP™ control provides convenient and efficient operation. The device operates with supply input voltage ranging from 5 V to 24 V and supports output voltages of 5.0 V and 3.3 V. The TPS51275, TPS51275B and TPS51275C are available in a 20-pin, 3 mm x 3 mm, QFN package and is specified from –40°C to 85°C.

Elecena nie prowadzi sprzedaży elementów elektronicznych, ani w niej nie pośredniczy.

Produkt pochodzi z oferty sklepu