4.5 V to 18 V input, 2 A / 3 A dual channel synchronous step-down converter, adjustable soft start
Texas Instruments
RSS
Sample
- Darmowa próbka
- MPN:
- TPS542951
- Producent:
- TEXAS INSTRUMENTS
- Dodany do bazy:
- Ostatnio widziany:
Sugerowane produkty dla tps542951
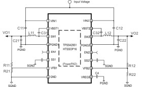
The TPS542951 is a dual, adaptive on-time D-CAP2™ mode synchronous buck converter. The TPS542951 enables system designers to complete the suite of various end equipment’s power bus regulators with a cost effective, low component count, and low standby current solution. The main control loops of the TPS542951 use the D-CAP2™ mode control which provides a very fast transient response with no external compensation components. The adaptive on-time control supports seamless transition between PWM mode at higher load conditions and Eco-mode™ operation at light loads. Eco-mode™ allows the TPS542951 to maintain high efficiency during lighter load conditions. The TPS542951 is able to adapt to both low equivalent series resistance (ESR) output capacitors such as POSCAP or SP-CAP, and ultra-low ESR, ceramic capacitors. The device provides convenient and efficient operation with input voltages from 4.5V to 18V.
The TPS542951 is available in a 4.4mm × 5.0mm 16 pin TSSOP (PWP) package, and 4mm × 4mm 16 pin VQFN (RSA) package, and is specified for an ambient temperature range from –40°C to 85°C.
Elecena nie prowadzi sprzedaży elementów elektronicznych, ani w niej nie pośredniczy.
Produkt pochodzi z oferty sklepu Texas Instruments