elecena.pl

Automotive 2V to 6V, 2.25MHz Fixed Frequency, 300mA Buck Converter with 1.2V Fixed Output Voltage

Texas Instruments

Automotive 2V to 6V, 2.25MHz Fixed Frequency, 300mA Buck Converter with 1.2V Fixed Output Voltage RSS Sample
  • Darmowa próbka
MPN:
TPS62242-Q1
Producent:
TEXAS INSTRUMENTS
Dodany do bazy:
Ostatnio widziany:

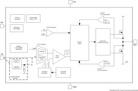
The TPS62242-Q1 device is a highly efficient buck converter optimized for battery-powered portable applications. The device provides up to 300-mA output current from a single Li-Ion cell and is ideal for battery-powered portable applications, automotive applications, and other equipment like Advanced Driver Assistance Systems (ADAS).

With an input voltage range of 2 V to 6 V, the device supports applications powered by Li-Ion batteries with extended voltage range, two- and three-cell alkaline.

The TPS62242-Q1 operates at 2.25-MHz fixed-switching frequency and enters the power-save mode of operation at light load currents to maintain high efficiency over the entire load current range.

The power-save mode is optimized for low output-voltage ripple. In shutdown mode, the current consumption is reduced to less than 1 µA. With 2.25-MHz fixed frequency and a 1.2-V fixed output voltage, the TPS62242-Q1 device allows the use of small inductors and capacitors to achieve a small solution size.

The TPS62242-Q1 operates over a free-air temperature range of –40°C to 115°C. The device is available in a 5-pin SOT 2.90-mm × 1.60-mm package.

Elecena nie prowadzi sprzedaży elementów elektronicznych, ani w niej nie pośredniczy.

Produkt pochodzi z oferty sklepu