elecena.pl

4.5-V to 17-V, 6-A synchronous SWIFT™ buck converter

Texas Instruments

4.5-V to 17-V, 6-A synchronous SWIFT™ buck converter RSS Sample
  • Darmowa próbka
MPN:
TPS54620
Producent:
TEXAS INSTRUMENTS
Dodany do bazy:
Ostatnio widziany:

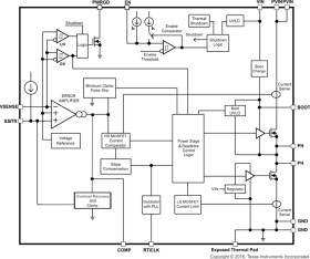
The TPS54620 in thermally enhanced 3.50 mm × 3.50 mm QFN package is a full featured 17-V, 6-A, synchronous, step-down converter which is optimized for small designs through high efficiency and integrating the high-side and low-side MOSFETs. Further space savings are achieved through current mode control, which reduces component count, and by selecting a high switching frequency, reducing the footprint of the inductor.

The output voltage start-up ramp is controlled by the SS/TR pin which allows operation as either a stand-alone power supply or in tracking situations. Power sequencing is also possible by correctly configuring the enable and the open-drain power good pins.

Cycle-by-cycle current limiting on the high-side FET protects the device in overload situations and is enhanced by a low-side sourcing current limit which prevents current runaway. There is also a low-side sinking current limit that turns off the low-side MOSFET to prevent excessive reverse current. Thermal shutdown disables the part when die temperature exceeds thermal shutdown temperature.

Elecena nie prowadzi sprzedaży elementów elektronicznych, ani w niej nie pośredniczy.

Produkt pochodzi z oferty sklepu