2.25MHz 600mA Step-Down Converter in 2x2mm SON/TSOT23 Package
Texas Instruments
RSS
Sample
- Darmowa próbka
- MPN:
- TPS62262
- Producent:
- TEXAS INSTRUMENTS
- Dodany do bazy:
- Ostatnio widziany:
Sugerowane produkty dla tps6226x
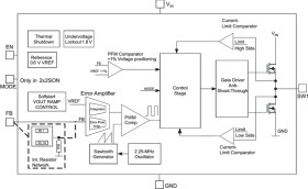
The TPS6226x device is a highly efficient synchronous step-down DC/DC converter. The TPS6226x provides up to 600-mA output current from a single Li-Ion cell, and is ideal for battery-powered applications such as mobile phones and other portable equipment.
With an wide input voltage range of 2 V to 6 V, the device also supports two- and three-cell alkaline batteries, 3.3-V and 5-V input voltage rails.
The TPS6226x operates at 2.25-MHz fixed-switching frequency, and enters power save mode operation at light load currents to maintain high efficiency over the entire load current range.
The power save mode is optimized for low-output voltage ripple. For low noise applications, the device can be forced into fixed frequency pulse-width modulation (PWM) mode by pulling the MODE pin high. In the shutdown mode, the current consumption is reduced to less than 1 µA. The TPS6226x allows the use of small inductors and capacitors to achieve a small solution size.
The TPS6226x operates over a free air temperature range of 40°C to 85°C. It is available in a 5-pin SOT and a 6-pin 2-mm × 2-mm WSON package.
Elecena nie prowadzi sprzedaży elementów elektronicznych, ani w niej nie pośredniczy.
Produkt pochodzi z oferty sklepu Texas Instruments