Automotive 3.5V to 60V, 500mA Buck Converter with Eco-Mode™
Texas Instruments
RSS
Sample
- Darmowa próbka
- MPN:
- TPS57060-Q1
- Producent:
- TEXAS INSTRUMENTS
- Dodany do bazy:
- Ostatnio widziany:
Sugerowane produkty dla tps57060
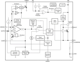
The TPS57060-Q1 device is a 60-V 0.5-A step-down regulator with an integrated high-side MOSFET. Current-mode control provides simple external compensation and flexible component selection. A low-ripple pulse-skip mode reduces the no load, regulated output supply current to 116 μA. When the enable pin is in the low state, the shutdown current is reduced to 1.3 μA.
Undervoltage lockout is internally set at 2.5 V, but can be increased using the enable pin. The output voltage startup ramp is controlled by the slow start pin that can also be configured for sequencing and tracking. An open-drain power good signal indicates the output is within 92% to 109% of the nominal voltage.
A wide switching frequency range allows efficiency and external component size to be optimized. Frequency fold back and thermal shutdown protects the part during an overload condition.
The TPS57060-Q1 device is available in a 10-pin thermally enhanced MSOP-PowerPAD package (DGQ) and a VSON (DRC) package.
For all available packages, see the orderable addendum at the end of the datasheet.
Elecena nie prowadzi sprzedaży elementów elektronicznych, ani w niej nie pośredniczy.
Produkt pochodzi z oferty sklepu Texas Instruments