elecena.pl

Automotive 2.3V to 6V, 2.25MHz Fixed Frequency 1A Buck Converter in 2x2mm SON/TSOT23 Package

Texas Instruments

Automotive 2.3V to 6V, 2.25MHz Fixed Frequency 1A Buck Converter in 2x2mm SON/TSOT23 Package RSS Sample
  • Darmowa próbka
MPN:
TPS62290-Q1
Producent:
TEXAS INSTRUMENTS
Dodany do bazy:
Ostatnio widziany:

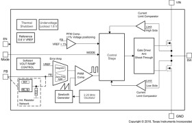
The TPS6229x-Q1 is a highly efficient synchronous step-down buck converter optimized for automotive low input voltage applications, and provides up to 1000-mA output current..

With an input voltage range of 2.3 V to 6 V, and an output voltage accuracy of 1.5%, the device powers a large variety of automotive applications.

The TPS6229x-Q1 operates at 2.25-MHz fixed switching frequency and enters Power Save Mode operation with typical quiescent current of 15 µA at light load currents to maintain a high efficiency over the entire load current range.

The Power Save Mode is optimized for low output voltage ripple. For low noise applications, the device can be forced into fixed frequency PWM mode by pulling the MODE pin high. In the shutdown mode, the current consumption is reduced to less than 1 µA. The TPS6229x-Q1 allows the use of small inductors and capacitors to achieve a small solution size.

The TPS6229x-Q1 is available in a 2-mm × 2-mm 6-pin SON package.

Elecena nie prowadzi sprzedaży elementów elektronicznych, ani w niej nie pośredniczy.

Produkt pochodzi z oferty sklepu