6-channel WLED driver with Four integrated LDOs
Texas Instruments
RSS
Sample
- Darmowa próbka
- MPN:
- LM3538
- Producent:
- TEXAS INSTRUMENTS
- Dodany do bazy:
- Ostatnio widziany:
Sugerowane produkty dla lm3538
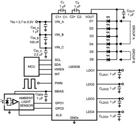
The LM3538 is a highly integrated LED driver capable of driving 6 LEDs in parallel for single display backlighting applications. Independent LED control allows for a subset of the main display LEDs to be selected for partial illumination applications.
I2C-compatible control allows full configurability of the backlighting function. The LM3538 provides multi-zone Ambient Light Sensing allowing autonomous backlight intensity control in the event of changing ambient light conditions. A PWM input is also provided to give the user a means to adjust the backlight intensity dynamically based upon the content of the display.
Four integrated LDOs are fully configurable through I2C capable of addressing point-of-load regulation needs for functions such as integrated camera modules. The LDOs can be powered from main battery source, or by a fixed output voltage of an external buck converter (post regulation) leading to higher conversion efficiency.
The LM3538 provides excellent efficiency without the use of an inductor by operating the charge pump in a gain of 3/2 or in Pass-Mode. The proper gain for maintaining current regulation is chosen, based on LED forward voltage, so that efficiency is maximized over the input voltage range
LM3538 is offered in a tiny 30-bump DSBGA package.
Elecena nie prowadzi sprzedaży elementów elektronicznych, ani w niej nie pośredniczy.
Produkt pochodzi z oferty sklepu Texas Instruments