elecena.pl

4-CH LCD Bias w/ Integrated Input-to-Output Isolation Switch, 2 Op-Amps & GPM

Texas Instruments

4-CH LCD Bias w/ Integrated Input-to-Output Isolation Switch, 2 Op-Amps & GPM RSS Sample
  • Darmowa próbka
MPN:
TPS65162
Producent:
TEXAS INSTRUMENTS
Dodany do bazy:
Ostatnio widziany:

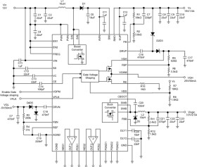
The TPS65162 is a compact LCD bias IC with two high-speed operational amplifiers for the Vcom supply. The high current capability of the device is ideal for large LCD-monitor and LCD-TV applications.

The TPS65162 generates all four voltage rails for a TFT LCD (Vs, Vlogic, VGH and VGL) and includes two op-amps to generate the VCOM supply rail. An input-to-output isolation switch is integrated into the device, providing short-circuit protection for the boost converter. A current-limit function is implemented in the input-to-output isolation switch to allow soft turn-on during start-up. The device also features gate voltage shaping for improved TFT-LCD picture quality. The device consists of a boost converter to provide the source voltage Vs, and a step-down converter to provide the logic voltage for the system. A positive and a negative charge-pump driver provide adjustable regulated output voltages VGH and VGL to bias the TFT. Both boost and buck converter, as well as the charge-pump drivers, operate with a fixed switching frequency of 500 kHz or 750 kHz, selectable by the FREQ pin. The device includes adjustable power-on sequencing. The safety features of the device are overvoltage protection for boost converter, short-circuit protection for Vs, Vlogic and VGH, and thermal shutdown.

Elecena nie prowadzi sprzedaży elementów elektronicznych, ani w niej nie pośredniczy.

Produkt pochodzi z oferty sklepu