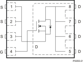
25-V, N channel NexFET™ power MOSFET, single SON 3 mm x 3 mm, 15 mOhm
Texas Instruments
RSS
Sample
Przejdź do sklepu »
- Darmowa próbka
- MPN:
- CSD16411Q3
- Producent:
- TEXAS INSTRUMENTS
- Dodany do bazy:
- Ostatnio widziany:
Sugerowane produkty dla nexfet
This 25-V, 8-mΟ, 3.3-mm × 3.3-mm SON NexFET™ power MOSFET has been designed to minimize losses in power conversion applications.
Elecena nie prowadzi sprzedaży elementów elektronicznych, ani w niej nie pośredniczy.
Produkt pochodzi z oferty sklepu Texas Instruments