elecena.pl

integrated Wireless power Li-ion charger Receiver, Qi (WPC) Compliant

Texas Instruments

integrated Wireless power Li-ion charger Receiver, Qi (WPC) Compliant RSS Sample
  • Darmowa próbka
MPN:
BQ51051B
Producent:
TEXAS INSTRUMENTS
Dodany do bazy:
Ostatnio widziany:

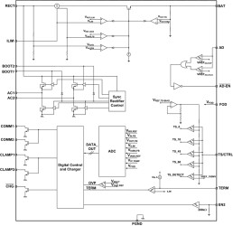
The bq5105x device is a high-efficiency, Qi-compliant wireless power receiver with an integrated Li-Ion/Li-Pol battery charge controller for portable applications. The bq5105xB devices provide efficient AC-DC power conversion, integrates the digital controller required to comply with Qi v1.2 communication protocol, and provides all necessary control algorithms needed for efficient and safe Li-Ion and Li-Pol battery charging. Together with the bq500212A transmitter-side controller, the bq5105x enables a complete wireless power transfer system for direct battery charger solutions. By using near-field inductive power transfer, the receiver coil embedded in the portable device can pick up the power transmitted by transmitter coil. The AC signal from the receiver coil is then rectified and conditioned to apply power directly to the battery. Global feedback is established from the receiver to the transmitter to stabilize the power transfer process. This feedback is established by using the Qi v1.2 communication protocol.

The bq5105xB devices integrate a low-impedance synchronous rectifier, low-dropout regulator (LDO), digital control, charger controller, and accurate voltage and current loops in a single package. The entire power stage (rectifier and LDO) use low-resistance N-MOSFETs (100-mΩ typical Rdson) to ensure high efficiency and low power dissipation.

Elecena nie prowadzi sprzedaży elementów elektronicznych, ani w niej nie pośredniczy.

Produkt pochodzi z oferty sklepu