elecena.pl

Ultra Low power Harvester power Management IC with boost charger, and Nanopower Buck Converter

Texas Instruments

Ultra Low power Harvester power Management IC with boost charger, and Nanopower Buck Converter RSS Sample
  • Darmowa próbka
MPN:
BQ25570
Producent:
TEXAS INSTRUMENTS
Dodany do bazy:
Ostatnio widziany:

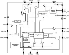
The bq25570 device is specifically designed to efficiently extract microwatts (µW) to milliwatts (mW) of power generated from a variety of high output impedance DC sources like photovoltaic (solar) or thermal electric generators (TEG) without collapsing those sources. The battery management features ensure that a rechargeable battery is not overcharged by this extracted power, with voltage boosted, or depleted beyond safe limits by a system load. In addition to the highly efficient boosting charger, the bq25570 integrates a highly efficient, nano- power buck converter for providing a second power rail to systems such as wireless sensor networks (WSN) which have stringent power and operational demands. All the capabilities of bq25570 are packed into a small foot-print 20-lead 3.5-mm x 3.5-mm QFN package (RGR).

Elecena nie prowadzi sprzedaży elementów elektronicznych, ani w niej nie pośredniczy.

Produkt pochodzi z oferty sklepu