elecena.pl

3-V to 22-V, 12-A synchronous buck converter with ultra-low quiescent current

Texas Instruments

3-V to 22-V, 12-A synchronous buck converter with ultra-low quiescent current RSS Sample
  • Darmowa próbka
MPN:
TPS51367
Producent:
TEXAS INSTRUMENTS
Dodany do bazy:
Ostatnio widziany:

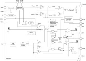
The TPS51367 is a high-voltage input, synchronous converter with integrated FET, based on DCAP-2 control topology, which enables fast transient response and supports both POSCAP and all MLCC output capacitors. TI proprietary FET technology combined with TI leading-edge package technology provides the highest density solution for single-output power rail such as VCCIO and VDDQ for DDR notebook memory, or any point-of-load (POL) in wide application.

The key feature of the TPS51367 is its ULQ™ Mode to enable low-bias current (100 µA in low power mode, enabled by LP#). This feature is extremely beneficial for long battery life in system standby mode.

The feature set includes switching frequency of 800 kHz. Programmable soft-start time with an external capacitor. auto skip, pre-bias startup, integrated bootstrap switch, power good, enable and a full suite of fault protection schemes, including OCL, UVP, OVP, 5-V UVLO and thermal shutdown.

It is packaged in 3.5 mm × 4.5 mm, 0.4-mm pitch, 28-pin QFN (RVE), and specified from –10°C to 85°C.

Elecena nie prowadzi sprzedaży elementów elektronicznych, ani w niej nie pośredniczy.

Produkt pochodzi z oferty sklepu