9 channel RGB / White LED driver with internal program memory and integrated charge Pump - WQFN
Texas Instruments
RSS
Sample
- Darmowa próbka
- MPN:
- LP55231
- Producent:
- TEXAS INSTRUMENTS
- Dodany do bazy:
- Ostatnio widziany:
Sugerowane produkty dla lp55231
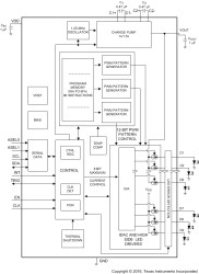
The LP55231 is a 9-channel LED driver designed to produce lighting effects for mobile devices. A high-efficiency charge pump enables LED driving over full Li-Ion battery voltage range. The device is equipped with an internal program memory, which allows operation without processor control.
The LP55231 has an I2C-compatible control interface with four pin-selectable addresses. The INT pin can be used to notify processor when a lighting sequence has ended (interrupt function). Also, the device has a trigger input interface, which allows synchronization, for example, between multiple LP55231 devices. Excellent efficiency is maintained over a wide operating range by autonomously selecting the best charge pump gain based on LED forward voltage requirements. The device is able to automatically enter power-save mode when LED outputs are not active, thus lowering idle current consumption down to 10 µA (typical). Only four small and low-cost ceramic capacitors are required.
For all available packages, see the orderable addendum at the end of the data sheet.
Elecena nie prowadzi sprzedaży elementów elektronicznych, ani w niej nie pośredniczy.
Produkt pochodzi z oferty sklepu Texas Instruments