elecena.pl

25-100MHz 10/12-Bit FPD-Link III Deserializer

Texas Instruments

25-100MHz 10/12-Bit FPD-Link III Deserializer RSS Sample
  • Darmowa próbka
MPN:
DS90UB914A-Q1
Producent:
TEXAS INSTRUMENTS
Dodany do bazy:
Ostatnio widziany:

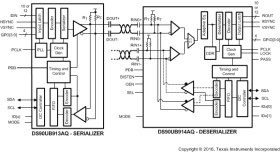
The DS90UB914A-Q1 device offers an FPD-Link III interface with a high-speed forward channel and a bidirectional control channel for data transmission over a single coaxial cable or differential pair. The DS90UB914A-Q1 device incorporates differential signaling on both the high-speed forward channel and bidirectional control channel data paths. The deserializer is targeted for connections between imagers and video processors in an ECU (Electronic Control Unit). This device is ideally suited for driving video data requiring up to 12-bit pixel depth plus two synchronization signals along with bidirectional control channel bus.

The deserializer features a multiplexer to allow selection between two input imagers, one active at a time. The primary video transport converts 10-bit or 12-bit data to a single high-speed serial stream, along with a separate low latency bidirectional control channel transport that accepts control information from an I2C port and is independent of video blanking period.

Using TI’s embedded clock technology allows transparent full-duplex communication over a single differential pair, carrying asymmetrical-bidirectional control channel information. This single serial stream simplifies transferring a wide data bus over PCB traces and cable by eliminating the skew problems between parallel data and clock paths. This significantly saves system cost by narrowing data paths that in turn reduce PCB layers, cable width, and connector size and pins. In addition, the Deserializer inputs provide adaptive equalization to compensate for loss from the media over longer distances. Internal DC-balanced encoding/decoding is used to support AC-coupled interconnects.

Elecena nie prowadzi sprzedaży elementów elektronicznych, ani w niej nie pośredniczy.

Produkt pochodzi z oferty sklepu