elecena.pl

Dual Phase D-CAP Buck Regulator with 8-Bit VID

Texas Instruments

Dual Phase D-CAP Buck Regulator with 8-Bit VID RSS Sample
  • Darmowa próbka
MPN:
TPS53624
Producent:
TEXAS INSTRUMENTS
Dodany do bazy:
Ostatnio widziany:

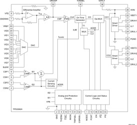
The TPS53624 is a dual-phase step down controller with integrated gate drivers. The PCNT pin enables operation in dual or single-phase mode to optimize efficiency depending on the load requirements. Advanced control features such as D-CAP+™ architecture and OSR provides fast transient response with low output capacitance. The DAC supports VID-on-the-fly to optimize the output voltage to the operating state of the system to reduce quiescent power. The auto-skip feature of the TPS53624 optimizes light-load efficiency in single phase operation. System management features include adjustable thermal monitor input and output (THRM, THAL), output current monitoring (IMON), and complimentary power good signals (PG and PGD). Adjustable control of the output voltage slew rate and voltage positioning are provided. In addition, the TPS53624 includes two high-current FET gate drivers to drive high and low side N-channel FETs with exceptionally high speed and low switching loss. All logic input and output pins have flexible LV input and output thresholds that enable interface with logic voltages from 1 V to 3.6 V.

The TPS53624 is packaged in a space saving, thermally enhanced, RoHS compliant 40-pin QFN and is rated to operate from –10°C to 105°C.

Elecena nie prowadzi sprzedaży elementów elektronicznych, ani w niej nie pośredniczy.

Produkt pochodzi z oferty sklepu