elecena.pl

High Efficiency Nanopower Buck Converter with 50mA Load Capability | Step-Down

Texas Instruments

High Efficiency Nanopower Buck Converter with 50mA Load Capability | Step-Down RSS Sample
  • Darmowa próbka
MPN:
TPS62736
Producent:
TEXAS INSTRUMENTS
Dodany do bazy:
Ostatnio widziany:

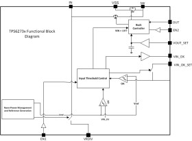
The TPS6273x family provides a highly integrated ultra low power buck converter solution that is well suited for meeting the special needs of ultra-low power applications such as energy harvesting. The TPS6273x provides the system with an externally programmable regulated supply to preserve the overall efficiency of the power-management stage compared to a linear step-down converter. This regulator is intended to step-down the voltage from an energy storage element such as a battery or super capacitor to supply the rail to low-voltage electronics. The regulated output has been optimized to provide high efficiency across low-output currents (<10 µA) to high currents (200 mA).

The TPS6273x integrates an optimized hysteretic controller for low-power applications. The internal circuitry uses a time-based sampling system to reduce the average quiescent current.

To further assist users in the strict management of their energy budgets, the TPS6273x toggles the input power-good indicator to signal an attached microprocessor when the voltage on the input supply has dropped below a preset critical level. This signal is intended to trigger the reduction of load currents to prevent the system from entering an undervoltage condition. In addition, independent enable signals allow the system to control whether the converter is regulating the output, monitoring only the input voltage, or to shut down in an ultra-low quiescent sleep state.

The input power-good threshold and output regulator levels are programmed independently through external resistors.

All the capabilities of TPS6273x are packed into a small footprint 14-lead 3.5-mm × 3.5-mm QFN package (RGY).

Elecena nie prowadzi sprzedaży elementów elektronicznych, ani w niej nie pośredniczy.

Produkt pochodzi z oferty sklepu