5-Channel Power Management IC (PMIC) with three DC/DCs, two LDOs in 6x6mm QFN
Texas Instruments
RSS
Sample
- Darmowa próbka
- MPN:
- TPS650731
- Producent:
- TEXAS INSTRUMENTS
- Dodany do bazy:
- Ostatnio widziany:
Sugerowane produkty dla tps6507x
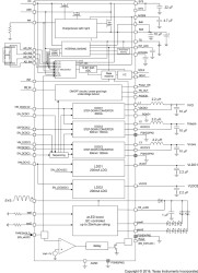
The TPS6507x family of devices are single-chip power management ICs (PMICs) for portable applications consisting of a battery charger with power path management for a single Li-Ion or Li-Polymer cell. The charger can either be supplied by a USB port on pin USB or by a DC voltage from a wall adapter connected to pin AC. Three highly efficient 2.25-MHz step-down converters are targeted at providing the core voltage, memory, and I/O voltage in a processor-based system. The step-down converters enter a low power mode at light load for maximum efficiency across the widest possible range of load currents.
For low noise applications the devices can be forced into fixed-frequency PWM using the I2C interface. The step-down converters allow the use of small inductors and capacitors to achieve a small solution size. The TPS6507x devices also integrate two general purpose LDOs for an output current of 200 mA. These LDOs can be used to power an SD-card interface and an always-on rail, but can be used for other purposes as well. Each LDO operates with an input voltage range from 1.8 V to 6.3 V allowing them to be supplied from one of the step-down converters or directly from the main battery. An inductive boost converter with two programmable current sinks power two strings of white LEDs.
The TPS6507x devices come in a 48-pin leadless package (6-mm × 6-mm VQFN) with a 0.4-mm pitch.
Elecena nie prowadzi sprzedaży elementów elektronicznych, ani w niej nie pośredniczy.
Produkt pochodzi z oferty sklepu Texas Instruments