elecena.pl

Automotive 5.6V to 40V, 1.2A Buck Converter with 3 LDOs and Protected Sensor Supply

Texas Instruments

Automotive 5.6V to 40V, 1.2A Buck Converter with 3 LDOs and Protected Sensor Supply RSS Sample
  • Darmowa próbka
MPN:
TPS65301-Q1
Producent:
TEXAS INSTRUMENTS
Dodany do bazy:
Ostatnio widziany:

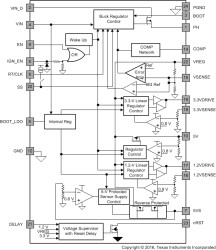
The TPS65301-Q1 power supply is a combination of a single switch-mode buck power supply and three linear regulators. This is a monolithic high-voltage switching regulator with an integrated 1.2-A peak current switch, 45-V power MOSFET, one low-voltage linear regulator, two voltage-regulator controllers and a protected sensor supply.

The device has a voltage supervisor which monitors the output of the switch-mode power supply, the 3.3-V linear regulator, and the 1.2-V linear regulator. An external timing capacitor is used to set the power-on delay and the release of the reset output nRST. This reset output is also used to indicate if the switch-mode supply, the 3.3-V linear regulator supply, or the 1.2-V linear regulator supply is outside the set limits. The protected sensor supply 5VS tracks the 3.3-V linear regulator within the specified limits.

The TPS65301-Q1 device has a switching frequency range from 2 MHz to 3 MHz, allowing the use of low-profile inductors and low-value input and output ceramic capacitors. External loop compensation gives the user the flexibility to optimize the converter response for the appropriate operating conditions.

This device has built-in protection features such as soft start on IGNEN ON or enables cycle, pulse-by-pulse current limit, thermal sensing, and shutdown due to excessive power dissipation.

For all available packages, see the orderable addendum at the end of the data sheet.

Elecena nie prowadzi sprzedaży elementów elektronicznych, ani w niej nie pośredniczy.

Produkt pochodzi z oferty sklepu