elecena.pl

4.5 to 60V Input 3.5A Step-Down DC-DC Converter With Soft-Start and Eco-mode™

Texas Instruments

4.5 to 60V Input 3.5A Step-Down DC-DC Converter With Soft-Start and Eco-mode™ RSS Sample
  • Darmowa próbka
MPN:
TPS54361
Producent:
TEXAS INSTRUMENTS
Dodany do bazy:
Ostatnio widziany:

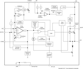
The TPS54361 device is a 60-V, 3.5-A, step-down regulator with an integrated high-side MOSFET. The device survives load dump pulses up to 65 V per ISO 7637. Current-mode control provides simple external compensation and flexible component selection. A low-ripple pulse-skip mode reduces the no-load supply current to 152 µA. Shutdown supply current is reduced to 2 µA when the enable pin is pulled low.

Undervoltage lockout is internally set at 4.3 V but can increase using an external resistor-divider at the enable pin. The output voltage startup ramp is controlled by the soft-start pin that can also be configured for sequencing and tracking. An open-drain power-good signal indicates the output is within 93% to 106% of the nominal voltage.

A wide adjustable switching frequency range allows for optimization of either efficiency or external component size. Cycle-by-cycle current limit, frequency foldback, and thermal shutdown protects internal and external components during an overload condition.

The TPS54361 device is available in a 10-pin 4-mm × 4-mm WSON package.

Elecena nie prowadzi sprzedaży elementów elektronicznych, ani w niej nie pośredniczy.

Produkt pochodzi z oferty sklepu