elecena.pl

0.9Vin, 3.3Vout Boost Converter with Bypass Switch - 5nA Shutdown Current

Texas Instruments

0.9Vin, 3.3Vout Boost Converter with Bypass Switch - 5nA Shutdown Current RSS Sample
  • Darmowa próbka
MPN:
TPS61097A-33
Producent:
TEXAS INSTRUMENTS
Dodany do bazy:
Ostatnio widziany:

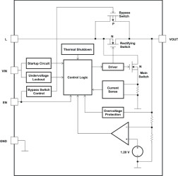
The TPS61097A-33 provides a power supply solution for products powered by either a single-cell, two-cell, or three-cell alkaline, NiCd, or NiMH, or one-cell Li-Ion or Li-polymer battery. They can also be used in fuel cell or solar cell powered devices where the capability of handling low input voltages is essential. Possible output currents depend on the input-to-output voltage ratio. The devices provide output currents up to 100 mA at a 3.3-V output while using a single-cell Li-Ion or Li-Polymer battery. The boost converter is based on a current-mode controller using synchronous rectification to obtain maximum efficiency. The maximum average input current is limited to a value of 400 mA. The converter can be disabled to minimize battery drain. During shutdown, the battery is connected to the load to enable battery backup of critical functions on the load. The device is packaged in a 5-pin SOT-23 package (DBV) measuring 2.8 mm × 2.9 mm.

Elecena nie prowadzi sprzedaży elementów elektronicznych, ani w niej nie pośredniczy.

Produkt pochodzi z oferty sklepu