elecena.pl

Automotive 1 channel high side current Sense Switching Mode LED driver

Texas Instruments

Automotive 1 channel high side current Sense Switching Mode LED driver RSS Sample
  • Darmowa próbka
MPN:
TPS92601-Q1
Producent:
TEXAS INSTRUMENTS
Dodany do bazy:
Ostatnio widziany:

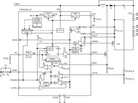
The TPS9260x-Q1 family of devices is a single-channel and dual-channel high-side-current LED driver. With full protection and diagnostics, this family of devices is dedicated for and ideally suited to automotive front lighting. The base of each independent driver is a peak-current-mode boost controller. Each controller has two independent feedback loops, a current-feedback loop with a high-side current-sensing shunt and a voltage-feedback loop with an external resistor-divider network. The controller delivers a constant output voltage or a constant output current. The connected load determines whether the device regulates a constant output current (if the circuit reaches the current set-point earlier than voltage set-point) or a constant output voltage (if the circuit reaches the voltage set-point is reached first, for example, in an open-load condition).

Each controller supports all typical topologies such as boost, boost-to-battery, SEPIC, or flyback.

Uses of the high-side PMOS FET driver are for PWM dimming of the LED string and for cutoff in case of an external short circuit to GND to protect the circuit.

Elecena nie prowadzi sprzedaży elementów elektronicznych, ani w niej nie pośredniczy.

Produkt pochodzi z oferty sklepu