elecena.pl

2.5-V to 6.5-V, 60mΩ, 0.085-2.9A eFuse with reverse current blocking when off

Texas Instruments

2.5-V to 6.5-V, 60mΩ, 0.085-2.9A eFuse with reverse current blocking when off RSS Sample
  • Darmowa próbka
MPN:
TPS25200
Producent:
TEXAS INSTRUMENTS
Dodany do bazy:
Ostatnio widziany:

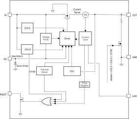
The TPS25200 is a 5V eFuse with precision current limit and overvoltage clamp. The device provides robust protection for load and source during overvoltage and overcurrent events.

The TPS25200 is an intelligent protected load switch with VIN tolerant to 20V. In the event that an incorrect voltage is applied at IN, the output clamps to 5.4V to protect the load. If the voltage at IN exceeds 7.6V, the device disconnects the load to prevent damage to the device and/or load.

The TPS25200 has an internal 60mΩ power switch and is intended for protecting source, device, and load under a variety of abnormal conditions. The device provides up to 2.6A of continuous load current. Current limit is programmable from 85mA to 2.9A with a single resistor to ground. During overload events output current is limited to the level set by RILIM. If a persistent overload occurs the device eventually goes into thermal shutoff to prevent damage to the TPS25200.

Elecena nie prowadzi sprzedaży elementów elektronicznych, ani w niej nie pośredniczy.

Produkt pochodzi z oferty sklepu