elecena.pl

Enhanced integrated, 5-A, 40-V wide input range boost/SEPIC/flyback DC/DC regulator

Texas Instruments

Enhanced integrated, 5-A, 40-V wide input range boost/SEPIC/flyback DC/DC regulator RSS Sample
  • Darmowa próbka
MPN:
TPS55340-EP
Producent:
TEXAS INSTRUMENTS
Dodany do bazy:
Ostatnio widziany:

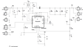
The TPS55340-EP is a monolithic, non-synchronous switching regulator with integrated 5-A, 40-V power switch. It can be configured in several standard switching-regulator topologies, including boost, SEPIC and isolated flyback. The device has a wide input voltage range to support applications with input voltage from multi-cell batteries or regulated 3.3-, 5-, 12-, and 24-V power rails.

The TPS55340-EP regulates the output voltage with current mode pulse width modulation (PWM) control, and has an internal oscillator. The switching frequency of PWM is set by either an external resistor or by synchronizing to an external clock signal. The user can program the switching frequency from 100 kHz to 1.2 MHz.

The device features a programmable soft-start function to limit inrush current during start-up and has other built-in protection features including cycle-by-cycle over current limit and thermal shutdown.

Elecena nie prowadzi sprzedaży elementów elektronicznych, ani w niej nie pośredniczy.

Produkt pochodzi z oferty sklepu