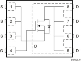
30-V, N channel NexFET™ power MOSFET, single SON 5 mm x 6 mm, 2.9 mOhm
Texas Instruments
RSS
Sample
Przejdź do sklepu »
- Darmowa próbka
- MPN:
- CSD17576Q5B
- Producent:
- TEXAS INSTRUMENTS
- Dodany do bazy:
- Ostatnio widziany:
Sugerowane produkty dla nexfet
This 30 V, 1.7 mΩ, SON 5 x 6-mm NexFET™ power MOSFET has been designed to minimize losses in power conversion applications.
Elecena nie prowadzi sprzedaży elementów elektronicznych, ani w niej nie pośredniczy.
Produkt pochodzi z oferty sklepu Texas Instruments