elecena.pl

1-cell, 1-A, Li-ion linear battery charger with 50mA LDO

Texas Instruments

1-cell, 1-A, Li-ion linear battery charger with 50mA LDO RSS Sample
  • Darmowa próbka
MPN:
BQ25071
Producent:
TEXAS INSTRUMENTS
Dodany do bazy:
Ostatnio widziany:

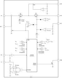
The bq25071 is a highly integrated, linear, LiFePO4 battery charger targeted at space-limited portable applications. It accepts power from either a USB port or AC adapter and charges a single-cell LiFePO4 battery with up to 1 A of charge current. The 30 V input rating with 10.5 V input overvoltage protection supports low-cost unregulated adapters.

The bq25071 has a single power output that simultaneously charges the battery and powers the system. The input current is programmable from 100 mA up to 1 A using the ISET input or configurable for USB500. There is also a 4.9 V ±10% 50 mA LDO integrated into the IC for supplying low power external circuitry.

The LiFePO4 charging algorithm removes the current taper typically seen as part of the constant voltage mode control used in Li-Ion battery charge cycles which reduces charge time significantly. Instead, the battery is fast charged to the overcharge voltage and then allowed to relax to a lower float charge voltage threshold. The charger integrates the power stage with the charge current and voltage sense to achieve a high level of accuracy in the current and voltage regulation loops. An internal control loop monitors the IC junction temperature through the charge cycle and reduces the charge current if an internal temperature threshold is exceeded.

Elecena nie prowadzi sprzedaży elementów elektronicznych, ani w niej nie pośredniczy.

Produkt pochodzi z oferty sklepu