elecena.pl

Automotive 8-channel Linear LED driver with PWM dimming

Texas Instruments

Automotive 8-channel Linear LED driver with PWM dimming RSS Sample
  • Darmowa próbka
MPN:
TPS92638-Q1
Producent:
TEXAS INSTRUMENTS
Dodany do bazy:
Ostatnio widziany:

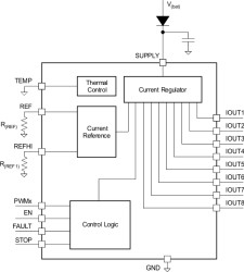
The TPS92638-Q1 is an eight-channel linear LED driver with PWM dimming control. Its design is ideal for driving multiple strings of LEDs up to a medium power range.

This device can drive up to eight strings with one to three LEDs in each string, at a total current up to 70 mA per channel. Outputs can be in parallel to provide higher-current drive up to 560 mA.

In multiple-string applications, the device offers the advantage of having common-cathode connection of the LED stings. So, there is only a single return wire needed instead of one per LED string that a system with low-side current sense would need.

The device has the capability for switching LED current between high current and low current for stop and tail applications. Two reference resistors set the two LED current levels from each output.

The included temperature monitor reduces the LED drive current if the IC junction temperature exceeds a thermal threshold. The temperature threshold is programmable through an external resistor. One can disable the thermal current-monitor feature by connecting the TEMP pin to ground. Output of the junction temperature as an analog voltage is available as a factory program option.

Elecena nie prowadzi sprzedaży elementów elektronicznych, ani w niej nie pośredniczy.

Produkt pochodzi z oferty sklepu