elecena.pl

4.5V to 28V Input, 3A, Synchronous Step-Down Converter with Eco-mode(tm)

Texas Instruments

4.5V to 28V Input, 3A, Synchronous Step-Down Converter with Eco-mode(tm) RSS Sample
  • Darmowa próbka
MPN:
TPS54336A
Producent:
TEXAS INSTRUMENTS
Dodany do bazy:
Ostatnio widziany:

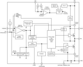
The TPS5433xA family of devices are synchronous converters with an input-voltage range of 4.5 to 28 V. These devices include an integrated low-side switching FET that eliminates the need for an external diode which reduces component count.

Efficiency is maximized through the integrated 128-mΩ and 84-mΩ MOSFETs, low IQ and pulse skipping at light loads. Using the enable pin, the shutdown supply current is reduced to 2 μA. This step-down (buck) converter provides accurate regulation for a variety of loads with a well-regulated voltage reference that is 1.5% over temperature.

Cycle-by-cycle current limiting on the high-side MOSFET protects the TPS5433xA family of devices in overload situations and is enhanced by a low-side sourcing current limit which prevents current runaway. A low-side sinking current-limit turns off the low-side MOSFET to prevent excessive reverse current. Hiccup protection is triggered if the overcurrent condition continues for longer than the preset time. Thermal shutdown disables the device when the die temperature exceeds the threshold and enables the device again after the built-in thermal hiccup time.

Elecena nie prowadzi sprzedaży elementów elektronicznych, ani w niej nie pośredniczy.

Produkt pochodzi z oferty sklepu