elecena.pl

18-Bit, 1Msps, 8-Channel SAR ADC with 100dB SNR

Analog Devices

18-Bit, 1Msps, 8-Channel SAR ADC with 100dB SNR RSS Sample
  • Darmowa próbka
MPN:
LTC2373-18
Producent:
ANALOG DEVICES
Dodany do bazy:
Ostatnio widziany:
Zmiana ceny:
-100% (17.01.2025)
Poprzednia cena:
20.49

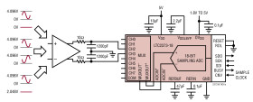
The LTC2373-18 is a low noise, high speed, 8-channel 18-bit successive approximation register (SAR) ADC. Operating from a single 5V supply, the LTC2373-18 has a highly configurable, low crosstalk 8-channel input multiplexer, supporting fully differential, pseudo-differential unipolar and pseudo-differential bipolar analog input ranges. The LTC2373-18 achieves ±2.75LSB INL (maximum) in all input ranges, no missing codes at 18-bits and 100dB (fully differential)/ 95dB (pseudo-differential) SNR (typical).

The LTC2373-18 has an onboard low drift (20ppm/°C max) 2.048V temperature-compensated reference and a singleshot capable reference buffer. The LTC2373-18 also has a high speed SPI-compatible serial interface that supports 1.8V, 2.5V, 3.3V and 5V logic through which a sequencer with a depth of 16 may be programmed. An internal oscillator sets the conversion time, easing external timing considerations. The LTC2373-18 dissipates only 40mW and automatically naps between conversions, leading to reduced power dissipation that scales with the sampling rate. A sleep mode is also provided to reduce the power consumption of the LTC2373-18 to 300μW for further power savings during inactive periods.

Applications

* Programmable Logic Controllers

* Industrial Process Control

* High Speed Data Acquisition

* Portable or Compact Instrumentation

* ATE

* 1Msps Throughput Rate

* 18-Bit Resolution with No Missing Codes

* 8-Channel Multiplexer with Selectable Input Range

* Fully Differential (±4.096V)

* Pseudo-Differential Unipolar (0V to 4.096V)

* Pseudo-Differential Bipolar (±2.048V)

* INL: ±2.75LSB (Maximum)

* SNR: 100dB (Fully Differential)/95dB (Pseudo-

Differential) (Typical) at fIN = 1kHz

* THD: –110dB (Typical) at fIN = 1kHz

* Programmable Sequencer

* Selectable Digital Gain Compression

* Single 5V Supply with 1.8V to 5V I/O Voltages

* SPI-Compatible Serial I/O

* Onboard 2.048V Reference and Reference Buffer

* No Pipeline Delay, No Cycle Latency

* Power Dissipation 40mW (Typical)

* Guaranteed Operation to 125°C

* 32-Lead 5mm × 5mm QFN Package

Elecena nie prowadzi sprzedaży elementów elektronicznych, ani w niej nie pośredniczy.

Produkt pochodzi z oferty sklepu