elecena.pl

6-String 400-mA WLED Drvr w/ Independent PWM dimming for Each String

Texas Instruments

6-String 400-mA WLED Drvr w/ Independent PWM dimming for Each String RSS Sample
  • Darmowa próbka
MPN:
TPS61196-Q1
Producent:
TEXAS INSTRUMENTS
Dodany do bazy:
Ostatnio widziany:

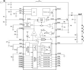
The TPS61196-Q1 provides a highly integrated solution for automotive LCD backlighting with an independent PWM dimming function for each string. This device is a current mode boost controller driving up to six WLED strings with multiple LEDs in series. Each string has an independent current regulator providing a LED current adjustable from 50 mA to 400 mA within ±1.5% matching accuracy. The minimal voltage at the current sink is programmable in the range of 0.3 V to 1 V to fit with different LED current settings. The input voltage range for the device is from 8 V to 30 V.

The TPS61196-Q1 adjusts the boost controller’s output voltage automatically to provide only the voltage required by the LED string with the largest forward voltage drop plus the minimum required voltage at that string’s IFB pin, thereby optimizing driver efficiency. Its switching frequency is programmed by an external resistor from 100 kHz to 800 kHz.

The TPS61196-Q1 supports direct PWM brightness dimming. Each string has an independent PWM control input. During the PWM dimming, the LED current is turned on or turned off at the frequency and duty cycle which are determined by the external PWM signal. The PWM frequency ranges from 90 Hz to 22 kHz.

The TPS61196-Q1 integrates overcurrent protection, output short-circuit protection, ISET short-to-ground protection, diode open and short protection, LED open and short protection, and overtemperature shutdown circuit. In addition, the TPS61196-Q1 can detect the IFB pin short to ground to protect the LED string. The device also provides programmable input undervoltage lockout threshold and output overvoltage protection threshold.

Elecena nie prowadzi sprzedaży elementów elektronicznych, ani w niej nie pośredniczy.

Produkt pochodzi z oferty sklepu