elecena.pl

Dual Channel 14-Bit CCD Signal Processor with V-Driver and Generator

Analog Devices

Dual Channel 14-Bit CCD Signal Processor with V-Driver and Generator RSS Sample
  • Darmowa próbka
MPN:
AD9928
Producent:
ANALOG DEVICES
Dodany do bazy:
Ostatnio widziany:

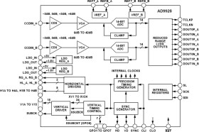
The AD9928 is a highly integrated CCD signal processor for digital still camera applications. It includes a dual analog front end with analog-to-digital conversion, combined with a full-function programmable timing generator and 18-channel vertical driver (V-driver) for a 2-channel output CCD. The timing generator is capable of supporting up to 24 vertical clock signals internally, and the on-chip V-driver supports up to 18 high voltage outputs. A Precision Timing™ core allows adjustment of high speed clocks with approximately 390 ps resolution at 40 MHz operation. The AD9928 also contains eight general-purpose outputs, which can be used for shutter and system functions.

Each analog front end includes black level clamping, CDS, VGA, and a 14-bit ADC. The timing generator provides all the necessary CCD clocks: RG, H-clocks, V-clocks, sensor gate pulses, substrate clock, and substrate bias control.

The AD9928 is specified over an operating temperature range of –25°C to +85°C.

APPLICATIONS

* Digital still cameras

* Medical imaging

* Industrial cameras

* Registers similar to AD9920A and AD9990

* Timing generator with 18-channel V-driver

* Serial data output with reduced range LVDS interface

* 1.8 V dual AFE core

Elecena nie prowadzi sprzedaży elementów elektronicznych, ani w niej nie pośredniczy.

Produkt pochodzi z oferty sklepu