elecena.pl

Wideband Direct Quadrature Modulator w/ Fractional-N PLL & VCO, 100 - 4000 MHz

Analog Devices

Wideband Direct Quadrature Modulator w/ Fractional-N PLL & VCO, 100 - 4000 MHz RSS Sample
  • Darmowa próbka
MPN:
HMC1197
Producent:
ANALOG DEVICES
Dodany do bazy:
Ostatnio widziany:

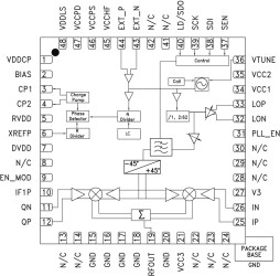
The HMC1197 is a low noise, high linearity Direct Quadrature Modulator with Fractional-N PLL&VCO RFIC which is ideal for digital modulation applications from 0.1 to 4.0 GHz including; Cellular/3G, LTE/WiMAX/4G, Broadband Wireless Access & ISM circuits housed in a compact 7x7 mm (LP7) SMT QFN package, the HMC1197 RFIC requires minimal external components & provides a low cost alternative to more complicated double upconversion architectures. The RF output port is single-ended and matched to 50 Ohms with no external components.

Auxiliary LO output (differential or single-ended), enables the HMC1197 to distribute identical frequency and phase signals to multiple destinations. Individual gain settings ensure optimal signal levels tailored to each output.

External VCO input allows the HMC1197 to lock external VCOs, and enables cascaded LO architectures for MIMO radio applications. Two separate Charge Pump (CP) outputs enable separate loop filters optimized for both integrated and external VCOs, and seamless switching between integrated or external VCOs during operation. Programmable RF output phase feature can further phase adjust and synchronize multiple HMC1197s enabling scalable MIMO and beam-forming radio architectures.

Integrated programmable Low Pass Filter (LPF) on the modulator LO input ensures no LO harmonic contribution to modulator sideband rejection performance. Sixteen programmable LPF bands enable true wideband operation, eliminating the need for external band specific harmonic filtering hardware.

Additional features include configurable LO output mute function. Exact Frequency Mode that enables the HMC1197 to generate fractional frequencies with 0 Hz frequency error and the ability to synchronously change frequencies without changing the phase of the output signal.

APPLICATIONS

* Multiband/Multi-standard Cellular BTS Diversity Transmitters

* Fixed Wireless or WLL

* ISM Transceivers, 900 & 2400 MHz

* GMSK, QPSK, QAM, SSB Modulators

* Multiband Basestations & Repeaters

* Very Low Noise Floor, -160 dBm/Hz

* Excellent Carrier & Sideband Suppression

* Very High Linearity, +30 dBm OIP3

* High Output Power, +10.5 dBm Output P1dB

Elecena nie prowadzi sprzedaży elementów elektronicznych, ani w niej nie pośredniczy.

Produkt pochodzi z oferty sklepu