elecena.pl

SMT GaAs HBT MMIC Divide-by-5, DC - 7 GHz

Analog Devices

SMT GaAs HBT MMIC Divide-by-5, DC - 7 GHz RSS Sample
  • Darmowa próbka
MPN:
HMC438
Producent:
ANALOG DEVICES
Dodany do bazy:
Ostatnio widziany:

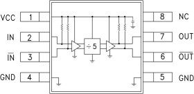
The HMC438MS8G & HMC438MS8GE are low noise Divide-by-5 Static Dividers utilizing InGaP GaAs HBT technology in low cost 8 lead surface mount plastic packages. This device operates from DC (with a square wave input) to 7 GHz input frequency from a single +5V DC supply. The low additive SSB phase noise of -153 dBc/Hz at 100 kHz offset helps the user maintain good system noise performance.

Applications

* UNII, Point-to-Point & VSAT Radios

* 802.11a & HiperLAN WLAN

* Fiber Optic

* Cellular / 3G Infrastructure

* SSB Phase Noise: -153 dBc/Hz @100KHz

* Wide Bandwidth

* Output Power: -1 dBm

* Single DC Supply: +5V @ 80 mA

* MS8G SMT Package

Elecena nie prowadzi sprzedaży elementów elektronicznych, ani w niej nie pośredniczy.

Produkt pochodzi z oferty sklepu