InGaP HBT Divide-by-2 SMT, DC - 18 GHz
Analog Devices
RSS
Sample
Przejdź do sklepu »
- Darmowa próbka
- MPN:
- HMC492
- Producent:
- ANALOG DEVICES
- Dodany do bazy:
- Ostatnio widziany:
Sugerowane produkty dla at100
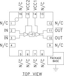
The HMC492LP3(E) is a low noise Divide-by-2 Static Divider utilizing InGaP GaAs HBT technology packaged in leadless 3x3 mm QFN surface mount plastic package. This device operates from DC (with a square wave input) to 18 GHz input frequency from a single +5V DC supply. The low additive SSB phase noise of -150 dBc/Hz at 100 kHz offset helps the user maintain excellent system noise performance.
APPLICATIONS
* Point-to-Point/Multi-Point Radios
* VSAT Radios
* Fiber Optic
* Test Equipment
* Military
* Ultra Low SSB Phase Noise: -150 dBc/Hz
* Very Wide Bandwidth
* Output Power: -4 dBm
Elecena nie prowadzi sprzedaży elementów elektronicznych, ani w niej nie pośredniczy.
Produkt pochodzi z oferty sklepu Analog Devices