elecena.pl

13 Gbps Fast Rise Time XOR / XNOR Gate

Analog Devices

13 Gbps Fast Rise Time XOR / XNOR Gate RSS Sample
  • Darmowa próbka
MPN:
HMC725
Producent:
ANALOG DEVICES
Dodany do bazy:
Ostatnio widziany:

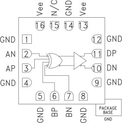
The HMC725 is a XOR/XNOR gate function designed to support data transmission rates of up to 13 Gbps, and clock frequencies as high as 13 GHz. All input signals to the HMC725 are terminated with 50 Ohms to ground on-chip, and maybe either AC or DC coupled. The differential outputs of the HMC725LC3C may be either AC or DC coupled.

Outputs can be connected directly to a 50 Ohm to ground terminated system, while DC blocking capacitors may be used if the terminating system is 50 Ohms to a non-ground DC voltage. The HMC725 operates from a single -3.3V DC supply, dissipates only 230 mW, and is available in a ceramic RoHS compliant 3x3 mm SMT package.

APPLICATIONS

* RF ATE Applications

* Broadband Test & Measurement

* Serial Data Transmission up to 13 Gbps

* Digital Logic Systems up to 13 GHz

* Inputs Terminated Internally in 50 Ohms

* Differential & Single-Ended Operation

* Fast Rise & Fall Times: 19/18 ps

* Propagation Delay: 105 ps

Elecena nie prowadzi sprzedaży elementów elektronicznych, ani w niej nie pośredniczy.

Produkt pochodzi z oferty sklepu