elecena.pl

VCO with Fo/2 & Divide-By-4 SMT, 14.25 - 15.65 GHz

Analog Devices

VCO with Fo/2 & Divide-By-4 SMT, 14.25 - 15.65 GHz RSS Sample
  • Darmowa próbka
MPN:
HMC632
Producent:
ANALOG DEVICES
Dodany do bazy:
Ostatnio widziany:

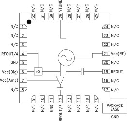
The HMC632LP5(E) is a GaAs InGaP Heterojunction Bipolar Transistor (HBT) MMIC VCO. The HMC632LP5(E) integrates resonators, negative resistance devices, varactor diodes and features half frequency and divide-by-4 outputs. The VCO’s phase noise performance is excellent over temperature, shock, and process due to the oscillator’s monolithic structure. Power output is +9 dBm typical from a +5V supply voltage. The prescaler and RF/2 functions can be disabled to conserve current if not required. The voltage controlled oscillator is packaged in a leadless QFN 5x5 mm surface mount package, and requires no external matching components.

APPLICATIONS

* Point to Point/Multipoint Radio

* Test Equipment & Industrial Controls

* SATCOM

* Military End-Use

* Dual Output: Fo = 14.25 - 15.65 GHz

Fo/2 = 7.125 - 7.825 GHz

* Pout: +9 dBm

Elecena nie prowadzi sprzedaży elementów elektronicznych, ani w niej nie pośredniczy.

Produkt pochodzi z oferty sklepu