Wideband VCO SMT w/Buffer Amplifier, 10 - 20 GHz
Analog Devices
RSS
Sample
- Darmowa próbka
- MPN:
- HMC733
- Producent:
- ANALOG DEVICES
- Dodany do bazy:
- Ostatnio widziany:
Sugerowane produkty dla hmc733lc4b
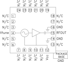
The HMC733LC4B is a wideband MMIC Voltage Controlled Oscillator which incorporates the resonator, negative resistance device, and varactor diode. Output power and phase noise performance are excellent over temperature due to the oscillator’s monolithic construction. The Vtune port accepts an analog tuning voltage from 0 to +22V. The HMC733LC4B VCO operates from a single +5V supply, consumes only 70 mA of current, and is housed in a RoHS compliant SMT package. This wideband VCO uniquely combines the attributes of ultra small size, low phase noise, low power consumption, and wide tuning range.
APPLICATIONS
* Industrial/Medical Equipment
* Test & Measurement Equipment
* Military Radar, EW & ECM
* Wide Tuning Bandwidth
* Pout: +3 dBm
* Low SSB Phase Noise: -90 dBc/Hz @100 kHz
Elecena nie prowadzi sprzedaży elementów elektronicznych, ani w niej nie pośredniczy.
Produkt pochodzi z oferty sklepu Analog Devices