MMIC VCO with Half Frequency Output & Divide-by-16, 20.9 - 23.9 GHz
Analog Devices
RSS
Sample
- Darmowa próbka
- MPN:
- HMC738
- Producent:
- ANALOG DEVICES
- Dodany do bazy:
- Ostatnio widziany:
Sugerowane produkty dla hmc738
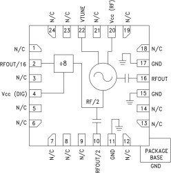
The HMC738 is a GaAs InGaP Heterojunction Bipolar Transistor (HBT) MMIC VCO. The HMC738 integrates a resonator, negative resistance device, varactor diode and divide-by-16 prescaler. The VCOs phase noise performance is excellent over temperature, shock, and process due to the oscillator's monolithic structure. Power output is +9 dBm typical from a 5V supply voltage. The voltage controlled oscillator is packaged in a low cost leadless QFN 4x4 mm surface mount package.
APPLICATIONS
* Point-to-Point Radios
* Point-to-Multi-Point Radios/LMDS
* VSAT
* Pout: +9 dBm
* Phase Noise: -95 dBc/Hz @ 100 kHz Typ.
Elecena nie prowadzi sprzedaży elementów elektronicznych, ani w niej nie pośredniczy.
Produkt pochodzi z oferty sklepu Analog Devices