elecena.pl

8 GHz Fractional-N PLL with Sweeper

Analog Devices

8 GHz Fractional-N PLL with Sweeper RSS Sample
  • Darmowa próbka
MPN:
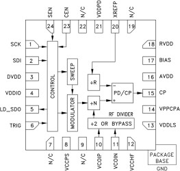
HMC703
Producent:
ANALOG DEVICES
Dodany do bazy:
Ostatnio widziany:

The HMC703 fractional synthesizer is built upon the high performance PLL platform also contained in the HMC704 and Hittite’s latest generation of PLL+VCO products. This platform has the best phase-noise and spurious performance in the industry - enabling higher order modulation schemes while minimizing blocker effects in high performance radios.

In addition, the HMC703 offers frequency sweep and modulation features, external triggering, double-buffering, exact frequency control, phase modulation and more - while maintaining pin compatibility for the main functions with the HMC700.

Applications

* Microwave Point-to-Point Radios

* Base Stations for Mobile Radio

(GSM, PCS, DCS, CDMA, WCDMA)

* Wireless LANs, WiMAX

* Communications Test Equipment

* ATV Equipment

* Automotive Sensors

* AESA - Phased Arrays

* FMCW Radar Systems

* Wide band: DC - 8 GHz RF Input

* Industry Leading Phase Noise & Spurious: -112 dBc/Hz @ 8 GHz Fractional, 50 kHz Offset

* Figure of Merit:

* -230 dBc/Hz Frac. Mode

* -233 dBc/Hz Int. Mode

* High PFD rate: 100 MHz

* 24 Lead 4 x 4 mm SMT

Package: 16 mm²

Elecena nie prowadzi sprzedaży elementów elektronicznych, ani w niej nie pośredniczy.

Produkt pochodzi z oferty sklepu