elecena.pl

Fractional-N PLL with Integrated VCO SMT, 665 - 825, 1330 - 1650, 2660 - 3300 MHz

Analog Devices

Fractional-N PLL with Integrated VCO SMT, 665 - 825, 1330 - 1650, 2660 - 3300 MHz RSS Sample
  • Darmowa próbka
MPN:
HMC822
Producent:
ANALOG DEVICES
Dodany do bazy:
Ostatnio widziany:

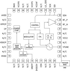
The HMC822LP6CE is a fully functioned Fractional-N Phase-Locked-Loop (PLL) Frequency Synthesizer with an Integrated Voltage Controlled Oscillator (VCO). The synthesizer consists of an integrated low noise VCO with a triband output, an autocalibration subsystem for low voltage VCO tuning, a very low noise digital Phase Detector (PD), a precision controlled charge pump, a low noise reference path divider and a fractional divider.

The fractional synthesizer features an advanced delta-sigma modulator design that allows both ultra-fine step sizes and low spurious products. The phase detector (PD) features cycle slip prevention (CSP) technology to allow faster frequency hopping times. Ultra low in-close phase noise and low spurious also allows wider loop bandwidths for faster frequency hopping and low micro-phonics.

For theory of operation and register map refer to the “PLLs with Integrated VCOs - RF VCOs Operating Guide”. To view the Operating Guide, please visit www.hittite.com and choose HMC822LP6CE from the “Search by Part Number” pull down menu.

APPLICATIONS

* Cellular/4G Infrastructure

* Repeaters and Femtocells

* Communications Test Equipment

* CATV Equipment

* Phased Array Applications

* DDS Replacement

* Very High Data Rate Radios

* Tri-band RF Bandwidth: 665 - 825, 1330 - 1650, 2660 - 3300 MHz

* Ultra Low Phase Noise -105 dBc/Hz in Band Typ.

* Figure of Merit (FOM) -227 dBc/Hz

* < 180 fs RMS Jitter

Elecena nie prowadzi sprzedaży elementów elektronicznych, ani w niej nie pośredniczy.

Produkt pochodzi z oferty sklepu