elecena.pl

TPS92691 multi-topology LED driver with rail-to-rail current sense amplifier

Texas Instruments

TPS92691 multi-topology LED driver with rail-to-rail current sense amplifier RSS Sample
  • Darmowa próbka
MPN:
TPS92691
Producent:
TEXAS INSTRUMENTS
Dodany do bazy:
Ostatnio widziany:

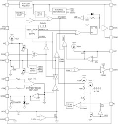
The TPS92691/-Q1 is a versatile LED controller that can support a range of step-up or step-down driver topologies. The device implements a fixed-frequency peak current mode control technique with programmable switching frequency, slope compensation, and soft-start timing. It incorporates a high voltage (65-V) rail-to-rail current sense amplifier that can directly measure LED current using either a high-side or a low-side series sense resistor. The amplifier is designed to achieve low input offset voltage and attain better than ±3% LED current accuracy over junction temperature range of 25°C to 140°C and output common-mode voltage range of 0 to 60 V.

LED current can be independently modulated using either analog or PWM dimming techniques. Linear analog dimming response with 15:1 range is obtained by varying the voltage from 140 mV to 2.25 V across the high impedance analog adjust (IADJ) input. PWM dimming of LED current is achieved by modulating the PWM input pin with the desired duty cycle and frequency. Optional DDRV gate driver output can be used to enable series FET dimming functionality to get over 1000:1 contrast ratio.

The TPS92691/-Q1 supports continuous LED status check through the current monitor (IMON) output. This allows for LED short circuit or open circuit detection and protection. Additional fault protection features include VCC UVLO, output OVP, switch cycle-by-cycle current limit, and thermal protection.

Elecena nie prowadzi sprzedaży elementów elektronicznych, ani w niej nie pośredniczy.

Produkt pochodzi z oferty sklepu