±60V Rugged PROFIBUS RS485 Transceivers
Analog Devices
RSS
Sample
- Darmowa próbka
- MPN:
- LTC2877
- Producent:
- ANALOG DEVICES
- Dodany do bazy:
- Ostatnio widziany:
- Zmiana ceny:
- -100% (21.01.2025)
- Poprzednia cena:
- 3.28
Sugerowane produkty dla compliant*
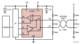
The LTC2876 and LTC2877 are PROFIBUS RS485 transceivers designed to meet the test specifications for PROFIBUS-DP masters and PROFIBUS-DP slaves, fully compatible with IEC 61158-2, type 3: medium attachment unit (MAU). With operation up to 20Mbps, the LTC2876/ LTC2877 supports all PROFIBUS data rates up to 12Mbps.
The LTC2876 and LTC2877 are exceptionally robust, tolerating ±60V faults on the bus pins and protected to ±52kV ESD. These devices are suitable for harsh environments or where 24V power might be inadvertently connected. Extended ±25V input common mode range and full fail safe operation improve data communication reliability in noisy systems.
The LTC2876 and LTC2877 meet PROFIBUS and RS485 specifications with a supply voltage of 4.5V to 5.5V but can operate down to 3V with reduced supply current.
Product Selection Guide
PART NUMBER
LOGIC SUPPLY PIN
PACKAGE
LTC2876
NO
DFN-8, MSOP-8
LTC2877
YES
DFN-10, MSOP-10
Applications
* PROFIBUS-DP
* Industrial Communication Networks
* RS485 and RS422 Systems
* 3V Low Voltage Differential Signaling
* PROFIBUS IEC 61158-2 Compliant* Protected from Overvoltage Line Faults to ±60V* ±52kV ESD Interface Pins, ±15kV All Other Pins* ±2kV (Level 4) IEC61000-4-4 Fast Transient Burst* ±25V Working Common Mode Range* 20Mbps Maximum Baud Rate* 1.65V to 5.5V Logic Supply Pin for Flexible Digital Interfacing (LTC2877)* 5V Supply Can Operate Down to 3V for Low Power, Low Swing Applications
Elecena nie prowadzi sprzedaży elementów elektronicznych, ani w niej nie pośredniczy.
Produkt pochodzi z oferty sklepu Analog Devices