elecena.pl

Configurable multi-rail PMIC for 2S & 3S Li-ion battery-operated devices or non battery operated

Texas Instruments

Configurable multi-rail PMIC for 2S & 3S Li-ion battery-operated devices or non battery operated RSS Sample
  • Darmowa próbka
MPN:
TPS65086
Producent:
TEXAS INSTRUMENTS
Dodany do bazy:
Ostatnio widziany:

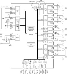
The TPS650860 device is a single-chip power-management IC designed for multicore processors, FPGAs, and other System-on-Chips (SoCs). The TPS650860 offers an input range of 5.6 V to 21 V, enabling a wide range of applications. The device is well suited for NVDC and non-NVDC power architecture using 2S, 3S, or 4S Li-Ion battery packs. See the Application Section for 5-V input supplies. The D-CAP2 and DCS-Control high-frequency voltage regulators use small inductors and capacitors to achieve a small solution size. The D-CAP2 and DCS-Control topologies have excellent transient response performance, which is great for processor core and system memory rails that have fast load switching. An I2C interface allows simple control either by an embedded controller (EC) or by an SoC. The PMIC comes in an 8-mm × 8-mm, single-row VQFN package with thermal pad for good thermal dissipation and ease of board routing.

Elecena nie prowadzi sprzedaży elementów elektronicznych, ani w niej nie pośredniczy.

Produkt pochodzi z oferty sklepu