elecena.pl

GaAs pHEMT MMIC Low Noise Amplifier, 700 - 1000 MHz

Analog Devices

GaAs pHEMT MMIC Low Noise Amplifier, 700 - 1000 MHz RSS Sample
  • Darmowa próbka
MPN:
HMC372
Producent:
ANALOG DEVICES
Dodany do bazy:
Ostatnio widziany:

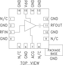
The HMC372LP3 & HMC372LP3E are GaAs pHEMT MMIC Low Noise Amplifiers that are ideal for GSM & CDMA cellular basestation front-end receivers operating between 700 and 1000 MHz. The amplifier has been optimized to provide 1 dB noise figure, 15 dB gain and +34 dBm output IP3 from a single supply of +5V @ 100 mA. Input and output return losses are 25 and 14 dB respectively with the LNA requiring only four external components to optimize the RF Input match, RF ground and DC bias. For applications which require improved noise figure, please see the HMC617LP3(E).

Applications

* GSM, GPRS & EDGE

* CDMA & W-CDMA

* Private Land Mobile Radio

* Noise Figure: < 1 dB* Output IP3: +34 dBm* Gain: 15 dB

Elecena nie prowadzi sprzedaży elementów elektronicznych, ani w niej nie pośredniczy.

Produkt pochodzi z oferty sklepu