elecena.pl

Fractional-N PLL with Integrated VCO SMT, 7.8 - 8.8 GHz

Analog Devices

Fractional-N PLL with Integrated VCO SMT, 7.8 - 8.8 GHz RSS Sample
  • Darmowa próbka
MPN:
HMC765
Producent:
ANALOG DEVICES
Dodany do bazy:
Ostatnio widziany:

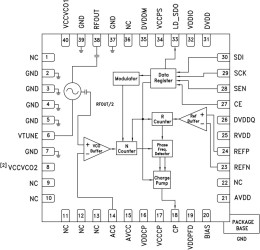
The HMC765LP6CE is a fully functioned Fractional-N Phase-Locked-Loop (PLL) with an Integrated Voltage Controlled Oscillator (VCO). The input reference frequency range is 100 kHz to 220 MHz while the advanced delta-sigma modulator design in the fractional PLL allows both ultra-fine step sizes and very low spurious products. The highly integrated structure provides excellent phase noise performance over temperature, shock and process. The HMC765LP6CE is packaged in a leadless QFN 6 x 6 mm surface mount package. The output power is 13 dBm typical, making the HMC765LP6CE ideal for driving the LO port of many of Hittite’s Hi Linearity and I/Q mixer products.

For theory of operation and register map refer to the "PLLs w/ Integrated VCO - Microwave VCOs" Operating Guide.

Applications

* VSAT Radio

* Point-to-Point / Multi-Point Radio

* Test Equipment & Industrial Control

* Military End-Use

* Phased Array Applications

* RF Bandwidth: 7.8 GHz to 8.8 GHz

* Fractional or Integer Modes

* Ultra Low Phase Noise

8.3 GHz; 50 MHz Ref.

-97/-101 dBc/Hz @ 10 kHz (Frac/Int)

-140 dBc/Hz @ 1 MHz (Open Loop)

* 24-Bit Step Size, 3 Hz Resolution Typ.

* Reference Path Input: 225 MHz

* FSK Modulation & Cycle Slip Prevention Modes

* 40 Lead 6x6mm SMT Package: 36mm²

Elecena nie prowadzi sprzedaży elementów elektronicznych, ani w niej nie pośredniczy.

Produkt pochodzi z oferty sklepu