Triac dimmable offline LED driver
Texas Instruments
RSS
Sample
- Darmowa próbka
- MPN:
- LM3445
- Producent:
- TEXAS INSTRUMENTS
- Dodany do bazy:
- Ostatnio widziany:
Sugerowane produkty dla lm3445
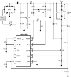
The LM3445 is an adaptive constant off-time AC/DC buck (step-down) constant current controller designed to be compatible with TRIAC dimmers. The LM3445 provides a constant current for illuminating high power LEDs and includes a TRIAC dim decoder. The dim decoder allows wide range LED dimming using standard TRIAC dimmers. The high frequency capable architecture allows the use of small external passive components. The LM3445 includes a bleeder circuit to ensure proper TRIAC operation by allowing current flow while the line voltage is low to enable proper firing of the TRIAC. A passive PFC circuit ensures good power factor by drawing current directly from the line for most of the cycle, and provides a constant positive voltage to the buck regulator. Additional features include thermal shutdown, current limit and VCC under-voltage lockout.
Elecena nie prowadzi sprzedaży elementów elektronicznych, ani w niej nie pośredniczy.
Produkt pochodzi z oferty sklepu Texas Instruments