elecena.pl

Low Iq, Wide Input Range Synchronous Buck Controller

Texas Instruments

Low Iq, Wide Input Range Synchronous Buck Controller RSS Sample
  • Darmowa próbka
MPN:
LM5141
Producent:
TEXAS INSTRUMENTS
Dodany do bazy:
Ostatnio widziany:

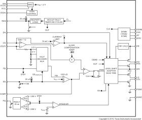
The LM5141 is a synchronous buck controller, intended for high voltage wide VIN step-down converter applications. The control method is peak current mode control. Current mode control provides inherent line feed-forward, cycle-by-cycle current limiting, and ease of loop compensation. The LM5141 features slew rate control to simplify the compliance with EMI requirements.

The LM5141 has two selectable switching frequencies: 2.2 MHz and 440 kHz. Gate Drivers with Slew Rate Control that can be adjusted to reduce EMI.

In light or no-load conditions, the LM5141 operates in skip cycle mode for improved low power efficiency. The LM5141 has a high voltage bias regulator with automatic switch-over to an external bias to reduce the IQ current from VIN. Additional features include frequency synchronization, cycle-by-cycle current limit, hiccup mode fault protection for sustained overload, and power good output.

Elecena nie prowadzi sprzedaży elementów elektronicznych, ani w niej nie pośredniczy.

Produkt pochodzi z oferty sklepu